Содержимое: 91122222805590.zip (1.96 MB)
Загружен: 22.11.2009

Положительные отзывы: 0
Отрицательные отзывы: 0

Продано: 5
Возвраты: 1

1374 руб.
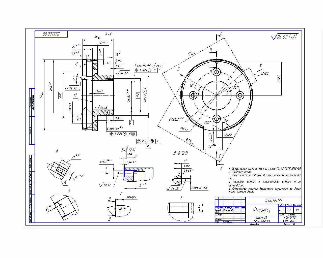
Диплом по специальности "Технология Машиностроения"



Технологический процесс на изготовление детали - Фланец


Содержание
Введение
1 Анализ состояния вопроса и
обоснование целесообразности выбора темы
2 Технологическая часть
2.1 Объем выпуска деталей
2.2 Тип производства
2.3 Служебное назначение детали
2.4 Анализ технологичности конструкции
2.5 Анализ действующего технологического процесса
2.6 Обоснование метода полученя заготовки
2.7 Выбор варианта технологического маршрута и его технико-экономическое обоснование
2.8 Выбор баз
2.9 Расчет припусков на механическую обработку
2.10 Расчет режимов резания
2.11 Техническое нормирование станочных операций
3 Выбор СОТС
4 Расчеты по участку
4.1 Определение проектной трудоемкости
4.2 Расчет количества оборудования
4.3 Определение основных и вспомогательных материалов
4.4 Определение численности работающих
4.5 Расчет площади участка
4.6 Расчет по энергетике
5 Конструкторская часть
5.1. Проектирование специального станочного приспособления
5.2 Расчет размерных цепей
5.3 Проектирование специального средства контроля
5.4 Проектирование и расчет специального режущего инструмента
6 Выбор средства механизации и
автоматизации технологического процесса
7 Стандартизация и контроль качества продукции
8 Научно-исследовательская часть
9 Организационно-экономическая часть
10 Безопасность и экологичность проектных решений
Заключение
Библиографический список
Список ГОСТов
Приложение А - технологическая документация
Приложение Б - Спецификация деталей станочного приспособления
Приложение В - Спецификация деталей специального
режущего инструмента
Приложение В - Спецификация деталей специального
контрольно-измерительного средства


Дипломная работа открывается в программах: Компас,Microsoft Office Word
Если вдруг произошла какая нибудь проблема по загрузки или что-то в этом роде,но надеюсь что этого не произойдет. Пожалуйста не торопитесь писать отрицательные отзывы, а пишите мне по почте или по асе и мы решим все возникшие проблемы. Если Вам все понравилось и если Вам не трудно конечно, оставляйте пожалуйста положительные отзывы.
Отзывов от покупателей не поступало